当前位置:仟渔网上海朝辉压力仪器有限公司
大家都在看
| 品牌 | ZHYQ朝辉 | 用途 | 液位测量 |
| 材质 | 304,316L,PTFE | 型号 | PT124B-221 |
| 产品 | 现场显示型液位变送器 |
图文详情
Product details
产品概述
PT124B-221系列现场显示型液位变送器采用数字电路补偿技术设计生产的高精度、高稳定性仪表。前端防砂帽起保护传感器膜片的作用,防水导气电缆线与外壳密封连接,通气管采用高分子隔离塞与外界相连。现场显示型液位变送器应用于水利、环保、工业过程控制、石油、化工、医药等领域的液位测量控制。
产品特点
● 采用数字电路补偿技术;
● 防腐,防潮,防结露,防渗漏功能;
● 带LCD现场显示;
● 精度高,稳定性好。
技术参数
量程: | 0…1mH2O ~ 0….100mH2O |
综合精度: | 0.25%FS,0.5%FS |
供电电压:<span color:#20231e;"=""> | 24(12~36)VDC (放大信号) |
输出信号: | 4-20mA(两线制),0-5V, 0-10V(三线制) |
电气连接: | 通气电缆线,投入式安装 |
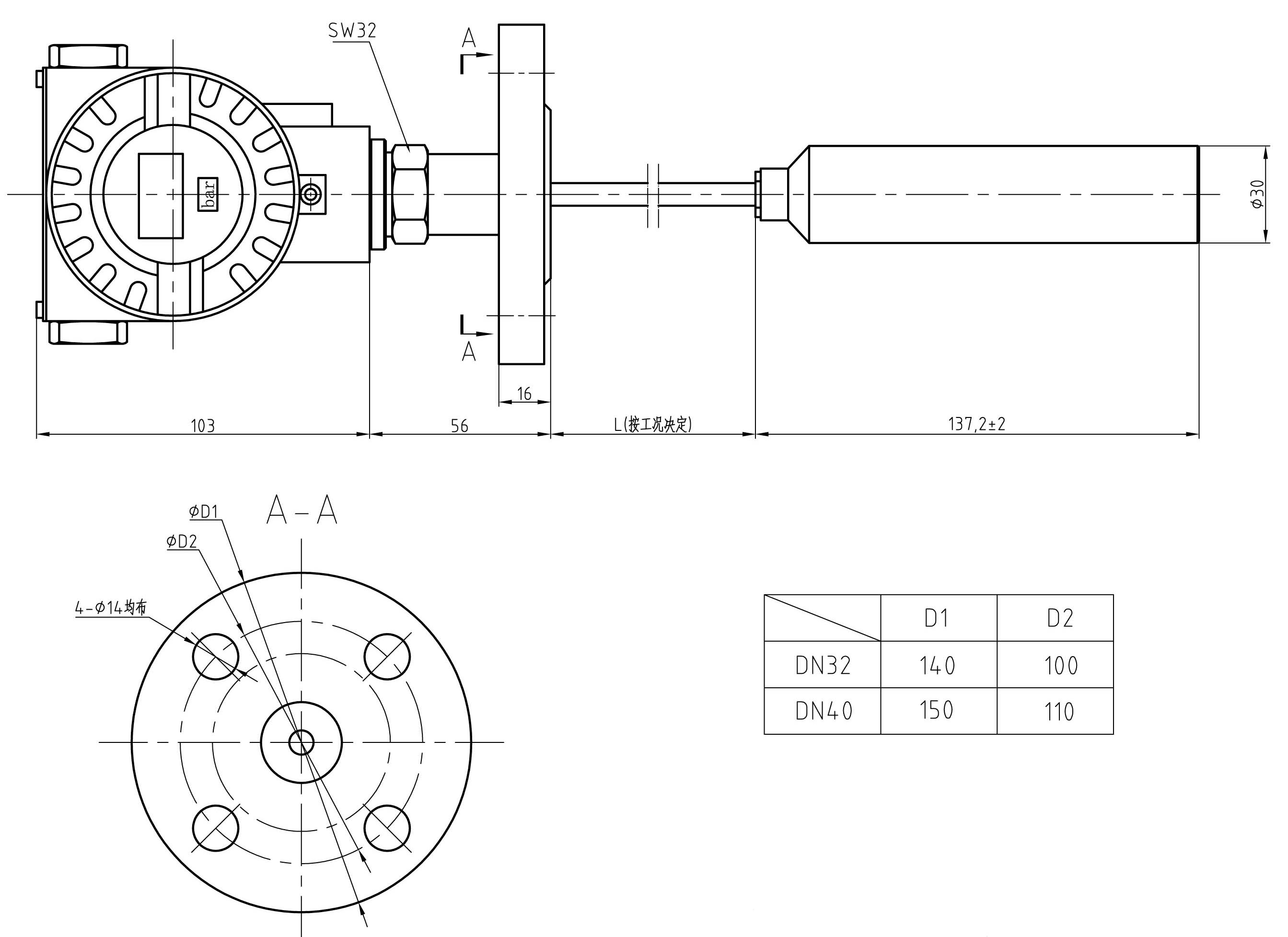
产品尺寸

联系方式
Contact information
- 上海朝辉压力仪器有限公司
- 张荣峰
- 15026706579
- 上海市松江区鼎源路618弄1号29幢122室
热门推荐
现场显示型液位变送器 投入式液位变送器 双法兰式液位变送器厂家相关商机
- 上海朝辉 乳化液浓度传感器 浓度在线监测 支持定制
- 乳化液浓度传感器 朝辉在线折光仪 上海朝辉
- 乳化液浓度传感器 上海朝辉在线浓度传感器 乳化液浓度传感器纸浆浓度传感器
- 乳化液浓度传感器 上海朝辉销售供应浓度传感器 价格实惠
- 乳化液浓度传感器 带煤安证矿用浓度传感器 质量无忧
- 乳化液浓度传感器 浓度传感器 厂家直销
- 乳化液浓度传感器 直供压力传感器 上海朝辉
- 乳化液浓度传感器 朝辉供应 挤出机计量泵 高温熔体压力传感器
- 风压微差压差变送器RS485智能差压传感器
- 上海朝辉差压远传隔膜液位变送器 蒸汽差压变送器厂家
- 上海朝辉PT124B-3501差压变送器
- 上海朝辉差压变送器 压力变送器厂家直供
- 联系姓名: 张荣峰
- 电话号码: 15026706579
- 经营模式:生产厂家
- 企业勋章:
- 所在地区:上海-上海
- 主营产品:一般项目:仪器仪表、自动化设备及配件、电子产品、电子元器件的销售,从事变送器、仪器仪表的生产(限分支机构经营),从事传感器科技、仪器仪表科技、自动化科技、智能科技、物联网科技、数据科技领域内的技术开发、技术咨询、技术服务、技术转让,计算机软件开发,计算机信息系统集成,互联网数据服务,货物或技术进出口(国家禁止或涉及行政审批的货物和技术进出口除外)。
产品分类
24小时热销榜
相关推荐












